您现在的位置:
首页
>
政府信息公开
>
区政府工作部门
>
住建局
>
公示公告
索引号:jsqzjj/2025-2302092
发布机构:区住建局
生成日期:2025-07-10 10:36:22
公开日期:2025-07-10
公开方式:政府网站
公开范围:全部公开
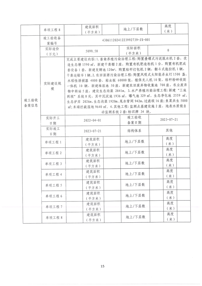
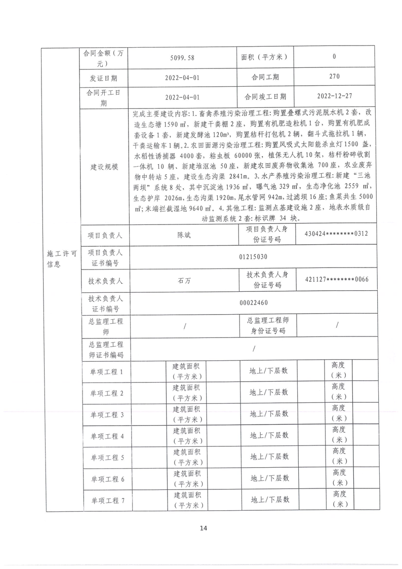
关于湖南省建筑市场监管公共服务平台数据治理的公示
来源:君山区住建局
日期: 2025-07-10
浏览量:
1
|
|
|
|